欢迎访问36500365.com网站
搜 索
首 页
通知公告
精准扶贫
防汛抗旱
水利工程
水政水资源
信息公开
机关党建
当前位置:
首 页
>
水政水资源
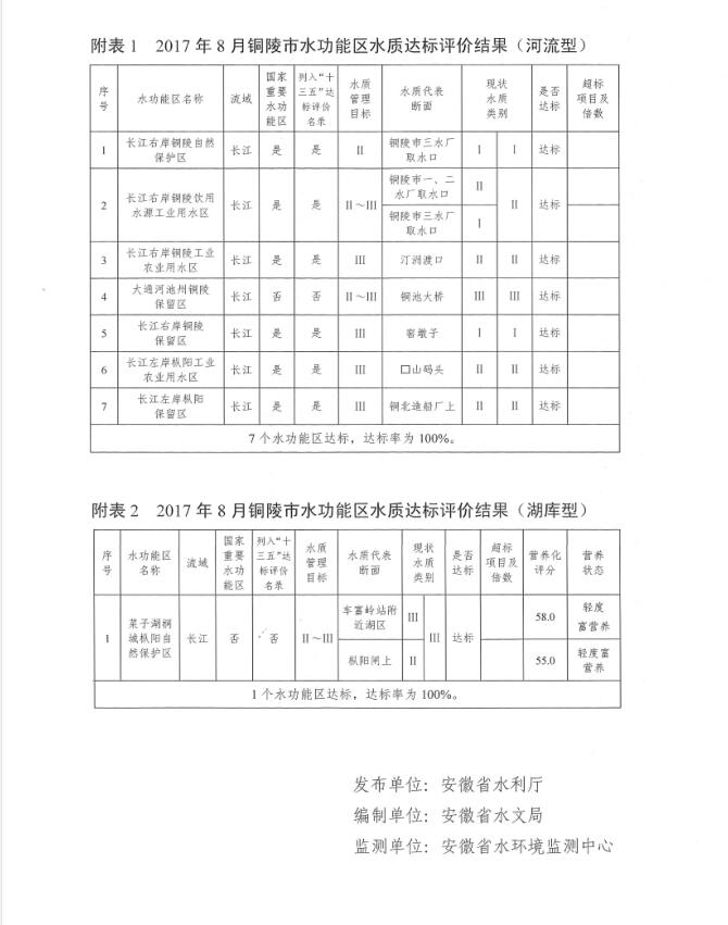
铜陵市水功能区水资源质量状况通报2017年第8期
作 者:
管理员
添加时间:
2017/9/30 11:19:58
浏览量:
次
上一篇:
水资源质量状况通报(2017年12月)
下一篇:
水资源质量状况通报(2017年8月)
主办单位:36500365.com
无障碍浏览
电话:0562-2136505 地址:安徽省铜陵市北京中路
皖ICP备09020814号
皖公网安备 34070202000157号
扫黄打非举报电话:056212318
网站标识码:3407000024